Fast Delivery
30 days express delivery



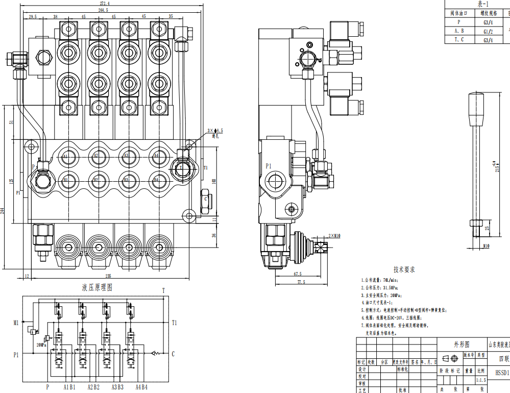
The SD11-PG2 is a high-performance, electro-hydraulic 4-spool monoblock directional valve rated for 70 L/min and 315 bar. Ideal for a wide range of applications in material handling, construction, agriculture, and industrial vehicles, this robust valve offers reliable control and precise operation in demanding environments.
| SD11 Series Monoblock Directional Valve Parameters | |
|---|---|
| Control Method | Manual, Pneumatic, Electro-pneumatic, Electro-hydraulic, Solenoid, Hydraulic, Hydraulic and Manual, Cable, Joystick, Electric |
| Spool | 1 Spool, 2 Spool, 3 Spool, 4 Spool, 5 Spool |
| Rated Flow | 70 L/min (18.5 US gpm) |
| Max Pressure | 315 bar (4600 psi) |
| Inlet Port | G3/4, SAE 12 |
| Outlet Port | G3/4, SAE 12 |
| Port Size | G3/4, SAE 12 |
| Section | 1 Section, 2 Section, 3 Section, 4 Section, 5 Section, 6 Section, 7 Section |
| Structure Type | Monoblock valve |
| Ambient Temperature Range | -40°C to +60°C (-40°F to +140°F) |
| Operating Viscosity Range | 15 - 75 mm²/s (15 cSt to 75 cSt) |
The SD11-PG2 Electro-hydraulic 4 Spool Monoblock Directional Valve is a high-performance hydraulic control component designed for demanding applications. Its monoblock construction ensures high strength and reliability, while the electro-hydraulic control provides precise and responsive operation. With a rated flow of 70 L/min and a maximum pressure of 315 bar, it's suitable for a variety of mobile equipment. The wide operating viscosity range (15-75 mm²/s) and ambient temperature range (-40°C to +60°C) make it adaptable to diverse operating conditions. The 4-spool design offers versatile control functionalities, making it suitable for various hydraulic circuits. This valve is ideal for OEM integration into forklifts, telehandlers, skid steer loaders, compact wheel loaders, mini-excavators, tractors, harvesters, and balers. Its compact design, robust construction, and reliable performance make it a cost-effective solution for improving the efficiency and productivity of your machinery. We offer manufacturing, OEM, private labeling, customization, and wholesale options, and are actively seeking distributors, wholesalers, agents, and trading partners globally.



