Fast Delivery
30 days express delivery



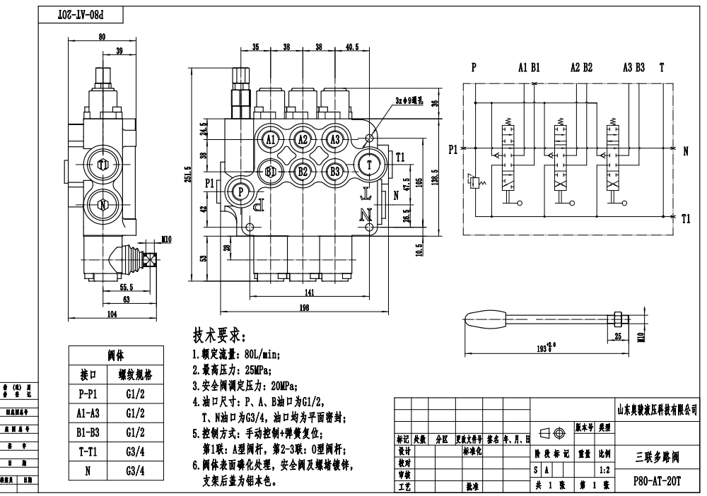
P80-G12-G34-AT-2OT Manual 3 Spool Monoblock Directional Valve is a high flow, high pressure valve designed for demanding hydraulic applications. It features a manual control method, 3 spool design, and a monoblock structure for increased durability and reliability. With a rated flow of 80 L/min and a max pressure of 250 bar, this valve is suitable for a wide range of applications in material handling, construction and earth moving, agriculture, and industrial vehicles.
| P80 Series Monoblock Directional Valve Parameters | |
|---|---|
| Spool | 1 Spool, 2 Spool, 3 Spool, 4 Spool, 5 Spool, 6 Spool, 7 Spool |
| Control Method | Manual, Pneumatic, Electro-pneumatic, Electro-hydraulic, Solenoid, Hydraulic, Hydraulic and Manual, Cable, Joystick |
| Port Size | G1/2, G3/4, M22×1.5, M27×2.0, SAE 10, 1/2 NPT, 3/4 NPT |
| Section | 1 Section, 2 Section, 3 Section, 4 Section, 5 Section, 6 Section, 7 Section |
| Ambient Temperature Range | -40°C to +80°C (-40°F to +176°F) |
| Operating Viscosity Range | 15 - 75 mm²/s (15 cSt to 75 cSt) |
| Max Pressure | 315 bar (4600 psi) |
| Rated Flow | 80 L/min (21.2 US gpm) |
| Structure Type | Monoblock valve |
| Inlet Port | G1/2, G3/4, M27×2.0, SAE 10, SAE 12, 1/2 NPT, 3/4 NPT |
**Product Features and Benefits:**
* High flow capacity of 80 L/min for efficient operation
* High pressure rating of 250 bar for demanding applications
* Manual control method for precise and responsive operation
* 3 spool design for versatile control of multiple hydraulic functions
* Monoblock structure for increased durability and reduced leakage
* Wide operating viscosity range of 15 - 75 mm²/s for compatibility with various hydraulic fluids
* Wide ambient temperature range of -40°C to +80°C for reliable performance in extreme conditions
**Applications:**
* Material Handling: Forklifts, telehandlers, cranes, stackers, aerial platforms
* Construction and Earth Moving: Excavators, skid steer loaders, compact wheel loaders, motor graders
* Agriculture: Tractors, harvesters, balers, sprayers
* Industrial Vehicles: Sweepers, waste compactors, skip loaders, hook-loaders



